- 全部
- 热门
- 最新评论
- 最新发帖
- 全部
- 个人号
- 机构号
-
股友0529352ZT5
更新于 04-18 09:54 38次浏览
$晶华微(SH688130)$这个公司真垃圾。5亿的钱来做理财,也不回购自己公司的股票。
21 -
资讯 晶华微:融资净买入27.8万元,融资余额3971.98万元
发表于 04-18 07:52 41次浏览
评论赞 -
指法飘逸
发表于 04-17 23:24 36次浏览
$晶华微(SH688130)$立案一年多了还没结案啊
评论赞 -
华信财经部
更新于 04-17 16:56 742次浏览
$晶华微(SH688130)$晶华微(688130)股民索赔征集,符合以下任意一种情况的可参加索赔: 1、2022年8月30日至2023年6月6日之间买入688130晶华微,且在2023年6月7日(含当日)之后卖出或继续持有者 2、2021年10月25日至2023年10月13日之间买入688130晶华微,且在2023年10月14日(含当日)之后卖出或继续持有者 3、2024年11月15日之前买入6...
5赞 -
股市孤星
更新于 04-17 16:46 45次浏览
近一年来消费电子一直在回暖,毕竟有国补刺激,作为消费电子供应链上游的晶华微,明显是承接到了这波需求,营收上涨得不错。
11 -
股友818F52R363
更新于 04-17 16:25 124次浏览
现阶段,AI算力需求呈爆发式增长,单芯片制程微缩已逐步逼近物理极限,先进封装成为延续摩尔定律的核心路径,产业价值全面凸显;与此同时,先进芯片研发成本居高不下、系统级集成复杂度大幅提升,芯片测试、EDA(电子设计自动化)工具等产业链环节的核心价值与战略地位持续拔高,重要性愈发凸显。
44 -
股友6587Q28M18
更新于 04-17 16:19 43次浏览
企查查数据显示,2025年全年,我国集成电路相关企业注册量同比增加19.8%至16.6万家,创近十年注册量新高,区域分布上,2025年新注册企业中,分布在华东、华南地区的相关企业合计占比超六成,其中华东地区占比31.3%;截至4月15日,2026年我国已注册超4万家集成电路相关企业。企业存量方面,截至2026年4月15日,我国现存近84万家集成电路相关企业。
11 -
晶华微
更新于 04-17 15:16 868次浏览
晶华微亮相2026 AWE 赋能家电智能芯未来
2026AWE 中国·上海 汇聚全球目光,洞察产业先机。2026年3月12日至15日,中国家电及消费电子博览会(AWE)于上海新国际博览中心隆重举行。作为全球三大家电及消费电子展之一,本届盛会以“AI科技、慧享未来”为主题,全景式呈现覆盖智能家电、数字通讯及消费电子等领域的先进电子产品与解决方案,擘画智慧生活的未来蓝图。 展会直击芯耀现场 杭州晶华微电子股份有限公司(股票代码:688130)携手晶...
22 -
金光黄财气紫
发表于 04-17 15:11 31次浏览
芯片行业关键原材料再告急。由于此前卡塔尔方面氦气供给的中断,再加上俄罗斯当前宣布出口管制,业界预计,对于芯片制造来说,影响只是时间问题。
评论赞 -
买一手建仓
更新于 04-17 14:22 47次浏览
SEMI数据显示全球半导体制造设备销售额已连续三年创历史新高,且2026、2027年预期持续上修。当前行业正站在"全球设备销售景气上行+国内产线扩产提速+国产化率从1到N跃升"三重逻辑交汇点。
12 -
股索吴律
更新于 04-17 10:39 1689次浏览
晶华微(688130)索赔倒计时!2026年6月6日截止,三类投资者均可依法维权
$晶华微(SH688130)$晶华微(688130)因涉嫌信息披露违法违规,已被监管部门立案调查并作出正式认定,公司存在多项信披违规、财务披露不真实、重大事项隐瞒不报等违法事实,严重侵害投资者合法权益。目前相关索赔案件司法实践成熟,已有多起同类案件胜诉判例,符合条件的投资者维权获赔概率高。 本案索赔时效将于2026年6月6日正式截止,逾期未申报将永久丧失胜诉权,无法再通过法律途径挽回损失。请符合条...
61 -
弯刀乐
发表于 04-17 10:10 34次浏览
A股半导体产业链整体业绩向好,不过,半导体内部亦存在一定分化,一些尚未踏上AI风口、竞争激烈的细分领域的业绩尚待回暖。
评论赞 -
晶华微股友
发表于 04-17 09:17 44次浏览
问董秘 董秘你好,公司有涉及人工智能吗
【问】董秘你好,公司有涉及人工智能吗【答】晶华微:尊敬的投资者,您好!公司目前暂未涉及,亦在持续关注行业发展动向,会在符合公司战略方向的领域适时布局,感谢您的关注!
晶华微:尊敬的投资者,您好!公司目前暂未涉及,亦在持续关注行业发展动向,会在符合公司战略方向的领域适时布局,感谢您的关注!
评论赞 -
晶华微股友
发表于 04-17 09:17 47次浏览
问董秘 董秘你好,公司有涉及算力相关领域吗
【问】董秘你好,公司有涉及算力相关领域吗【答】晶华微:尊敬的投资者,您好!公司目前暂未涉及,亦在持续关注行业发展动向,会在符合公司战略方向的领域适时布局,感谢您的关注!
晶华微:尊敬的投资者,您好!公司目前暂未涉及,亦在持续关注行业发展动向,会在符合公司战略方向的领域适时布局,感谢您的关注!
评论赞 -
资讯 晶华微:融资净偿还10.68万元,融资余额3944.17万元
发表于 04-17 07:37 46次浏览
评论赞 -
股民索赔宝
发表于 04-16 15:37 70次浏览
晶华微24年被立案调查中,信披违规受损投资者可索赔
晶华微在2024年11月16日发布了《关于收到中国证券监督管理委员会立案告知书的公告》。现符合以下区间的投资者可参与报名索赔:于2024年11月15日(含当日)之前买入,并在2024年11月16日之后卖出或仍持有而亏损。适合投资者可以在东财搜索维权平台进行维权登记。
评论1 -
股友Wa57907208
发表于 04-16 15:19 50次浏览
昨天公告了一季度预告,营收放量、净利润上涨,今天股价就上涨了,确实是个不错的利好。
评论赞 -
晶华微
发表于 04-16 13:00 842次浏览
带8位MCU和高精度ADC的SoC产品--SD82F46X开发指南(二)
前言 开发指南(一)介绍了SD82F46XUART功能模块的使用,了解了其编程逻辑和工作原理,接下来在开发指南(一)的基础上继续介绍∑-ΔADC的使用方法和编程逻辑,以及使用UART将ADC数据打印出来。 ADC介绍 Part.1 SD82F46X的ADC为∑-ΔADC。前端通过多通道MUX灵活切换不同信号源,内置PGA更注重低噪声表现,同时ADC本身做了低温漂设计,在宽温工作环境下仍能维持稳定的...
评论1 -
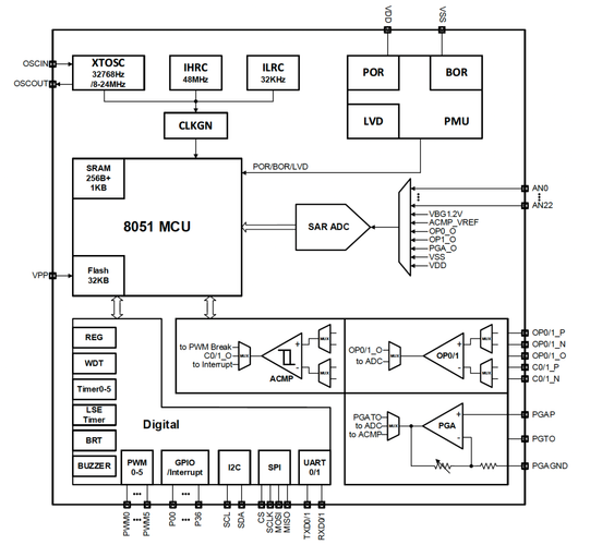
晶华微
更新于 04-16 13:30 855次浏览
新品发布+技术分享 | 晶华微SD81F134 BLDC无刷直流电机控制方案
Part.1 新品介绍 BLDC(无刷直流电机)凭借其高效率、低噪音、长寿命及易于控制等优势,广泛应用于电动工具、家用电器、工业驱动、个人护理产品等领域。杭州晶华微电子全新推出的SD81F134是一款集成高性能8051内核与丰富模拟外设的SoC芯片,特别适用于BLDC电机控制。本方案充分利用其内置增强型PWM、高精度ADC、可编程增益放大器(PGA)、运算放大器(OP)及模拟比较器(ACMP),提...
11 -
翻箱倒柜找什么
发表于 04-16 10:12 62次浏览
$晶华微(SH688130)$晶华微上市以来,实控人不仅没有减持,反而一直在增持,公司昨天一季报预告超预期,营收增超20%且亏损大幅收窄超50%,拐点要来了吗
评论赞















